Utensili modulari
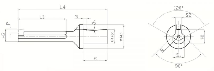
| Riferimento | L1 | DIS | L4 | H1 | H3 | S1 | S2 | Ø min | P max | Vite Inserto | Riferimento Inserto |
|---|---|---|---|---|---|---|---|---|---|---|---|
| CSZ 20 100-10-8 | 100 | 1 | 148 | 18.0 | 18.5 | 16.0 | 7.5 | 21.0 | 5.2 | Torx-4x15/15P | SZ 10 06-80 |
| CSZ 20 120-13-10 | 120 | 1 | 168 | 25.5 | 26.0 | 24.0 | 9.5 | 29.0 | 6.2 | Torx-6x18/20 | SZ 13 09-100 |
| SZ 13 09-120 |
| Riferimento | L1 | DIS | L4 | H1 | H3 | S1 | S2 | Ø min | P max | Vite Inserto | Riferimento Inserto |
|---|---|---|---|---|---|---|---|---|---|---|---|
| CSZ 12 40-06-3 | 40 | 2 | 74 | 8.0 | 8.3 | 7 | 2.5 | 8.7 | 2 | Torx-2.5x10/07P | SZ06 04-30 |
| CSZ 12 50-06-4 | 50 | 2 | 84 | 8.5 | 9.0 | 8 | 3.5 | 9.7 | 3 | Torx-2.5x10/07P | SZ06 04-40 |
| CSZ 12 60-06-5 | 60 | 2 | 94 | 10.5 | 11 | 11 | 4.5 | 13 | 3.2 | Torx-2.5x10/07P | SZ06 04-50 |
| CSZ 12 65-10-6 | 65 | 2 | 99 | 15.3 | 12 | 12 | 5.5 | 16.8 | 4.2 | Torx-4x15/15P | SZ10 06-60 |
| CSZ 12 75-10-6/8 | 75 | 2 | 107 | 16.0 | 16 | 16 | 5.5 | 17.5 | 4.2 | Torx-4x15/15P | SZ10 06-60 |
| SZ10 06-80 |